Veröffentlichungsdatum: 28.02.2022
Autor: Dipl-Ing. Wolfgang Mette, Bochum
Erneuerbare Energieträger - Nachhaltigkeit im Kleingarten
Schon immer habe ich mich mit dem Gedanken getragen, in meinem Lebensbereich weitgehend erneuerbare Energieträger z.B. für Heizung, Strom- und Wasserversorgung einzusetzen.Die derzeit bewohnte Neubau-Stadtwohnung ist für diesbezügliche Experimente allerdings weniger geeignet. Dort sind schon wesentliche Energiesparmaßnahmen wie ausreichende Wärmedämung und eine Solarthermieanlage sowie weitgehende Barierefreiheit realisiert worden.
Möglichkeiten für Experimente in überschaubarem Umfang hat man aber z.B. als Pächter/in eines Kleingartens nach dem Bundeskleingartengesetz. Dabei sind jedoch die durch Gesetz und Satzung vorgegebenen Einschränkungen zu beachten.
So bedürfen bauliche Veränderungen stets einer Genehmigung und energetische Maßnahmen dürfen nicht zu einer Beeinträchtigung der kleingärtnerischen Nutzung führen. Da dauerhaftes Wohnen im Kleingarten ohnehin verboten ist, kann man den Umfang von Maßnahmen deutlich unterhalb des Aufwands für eine durchgehende Wohnnutzung ansiedeln. So kann es ausreichend sein, das Gartenhaus nur für wenige Stunden am Tag beheizbar zu machen und ansonsten lediglich frostfrei zu halten. Weiterhin wird in vielen Kleingartenanlagen in der kalten Jahreszeit das Wasser abgedreht, was die Nutzung des Gartens in dieser Zeit zusätzlich nicht besonders attraktiv macht.
Wasserversorgung
Solange das Wasser zuverlässig aus der städtischen Wasserleitung kommt, macht man sich kaum Gedanken über eine alternative Wasserversorgung. In den zukünftig deutlich heißer werdenden Sommern wird man aber öfter mit einer kurzzeitigen oder auch länger andauernden Trinkwasserknappheit rechnen müssen. Auch kann jederzeit durch Schadensereignisse die öffentliche Trinkwasserversorgung beeinträchtigt werden oder auch zusammenbrechen.
Der erste Schritt wäre, das wenige Wasser, welches man in Trinkwasserqualität benötigt, vom Wasser für den sonstigen Bedarf zu trennen.
Zu diesem Zweck fangen wir in unserem Garten das Regenwasser von den Dachflächen in Behältern von derzeit insgesamt ca. 2 m² auf und können es mittels Pumpe zum Gießen, Reinigen und notfalls mit geringem Aufwand auch zur Toilettenspülung verwenden.
Wer in seinem Garten glücklicher Besitzer eines Brunnenrohres mit angeschlossener Pumpe ist, für den ist Wasserknappheit bis auf Weiteres wohl kein Thema. Eine Nutzung als Trinkwasser kann aber nicht empfohlen werden, dazu sollte es zumindest gefiltert und regelmäßig untersucht werden. Besser ist es, stets ein volle Kiste Mineralwasser bereitstehen zu haben.
Wie schnell es mit der komfortablen Versorgung aus dem öffentlichen Leitungsnetz vorbei sein kann, zeigt die Situation im Frühjahr 2024. Undichtigkeiten im vereinseigenen Leitungsnetz riefen ebenfalls vereinseigene Autodidakten mit Reparaturversuchen auf den Plan, was die Situation nur noch verschlimmerte und letztlich zum Stilllegung fast des gesamten vereinseigenen Leitungsnetzes führte.
Heizung
Das hier betrachtete Gartenhaus ist mit Kalksandsteinen gemauert und hat eine Betondecke sowie ein Satteldach mit Betonpfannen. Eine besondere Wärmedämmung ist nicht vorhanden, wenn man von der Holzverkleidung der Decke absieht. Das Haus wird ganzjährig meistens mehrere Stunden am Tag genutzt, allerdings nicht zum dauerhaften Wohnen, was auch nicht zulässig wäre und als erste Maßnahme eine komplette Wärmedämmung erfordern würde.
Somit muss man im vorliegenden Fall nur dafür sorgen, dass das Haus im Winter insgesamt frostfrei gehalten wird und dass der stundenweise genutzte Raum komfortabel und vor allem schnell aufgeheizt wird.
Das schnelle Aufheizen übernimmt derzeit als Relikt aus der fossilen Ära eine Außenwand-Gasheizung (ca. 4 kW), betrieben mit Flüssiggas über eine Rohrleitung zu außen gelagerten Flüssiggasflaschen.


Abb. 1 und 2: Gasheizung mit Außenwandanschluss
Ersatzweise kann ein elektrisch betriebener Heizlüfter, kurzzeitig aus der Batterieanlage gespeist, diese Funktion übernehmen.
Sofern aufgrund eines baulichen Bestandschutzes noch ein vom Bezirks-Schornsteinfegermeister abgenommener Kamin mit Ofen vorhanden ist, kann dieser, nachhaltig vorzugsweise mit Nadelholzbriketts betrieben, schnell für ausreichende Wärme sorgen. Nach einigen Stunden Betrieb reicht die Restwärme des Ofens oder der Gasheizung aus, auch an sehr kalten Tagen das Gartenhaus bis zum nächsten Tag frostfrei zu halten.
Für den Fall der Fälle, d.h. Strom weg, Akkus leer, Sprit und Holz alle, habe ich noch eine finale Reserve, die ein mehrtägiges Überleben in Kälte und Dunkelheit sichert: Eine historische Steigerlampe (schließlich sind wir im Ruhrpott) , zwei Sturmlaternen und einen Outdoor-Kocher bzw. Heizung, alle mit Lampenöl (gerne Bio) betrieben. Man muss sich nur mit Lampenöl bevorraten und im Anwendungsfall eine gewisse Geruchsbelästigung in Kauf nehmen.
Update 07.09.2022
Kaminholz ist das neue Klopapier! Was zu Beginn der Corona-Pandemie der Run aufs Klopapier war, ist jetzt das neurotische landesweite Aufkaufen von Kaminholz- und Holzbrikettbeständen von Privatleuten in Erwartung der Brennstoff-, Gas- und Strom-Katastrophe im kommenden Winter. Obwohl ich weiß, dass ich noch Brennholz für mindestens 1 Jahr vorrätig habe, die Kosten sich mehr als verdoppelt haben und Brennmaterial fast nur noch online und in Großpackungen zu bekommen ist, drängt es mich derzeit tagtäglich, eine Palette mit 960 kg zu bestellen und zu Hause in meiner Garage zwischen zu lagern. Sollte ich diesem Drang nachgeben, werde ich nach der Einlagerung mit Sicherheit feststellen, dass ich noch Platz für mindestens 2 weitere Paletten habe und die wohlmöglich auch noch ordern. Bleibt zu hoffen, dass ich diesen Krankheitsausbruch schadlos überstehe.
Strom
Die elektrische Energie wird dem Verein von den Stadtwerken zur Verfügung gestellt und von diesem einphasig an die einzelnen Gärten verteilt. Die Stromentnahme für einen einzelnen Garten soll 16A nicht überschreiten, somit hat der erste Leitungsschutzschalter nach dem Zähler genau diesen Wert. Auf Experimente mit einer von den Leitungsquerschnitten her durchaus möglichen höheren Stromentnahme wurde verzichtet.
Installierte Geräte mit höherem Strombedarf sind heute ein 5 l - Warmwasserbereiter unter der Spüle, ein kleiner Elektroherd sowie ein Warmwasserbereiter für die Dusche. Hinzu kommen ein Wasserkocher, die Mikrowelle und ein kleiner Heizlüfter. Sie werden alle eher selten und nicht zeitgleich benutzt.
Nach der Übernahme des Gartens musste festgestellt werden, dass sich ein oder mehrere Vorbesitzer in beinahe krimineller Weise an der Elektroinstallation nach dem Zähler vergangen haben. So wurden flexible Leitungen mit nicht ausreichendem Querschnitt fest verlegt und der stets vorhandene und mitgeführte Schutzleiter in Steckern und Steckdosen meistens abgekniffen und so vorsätzlich nicht angeschlossen. Ein RCD war ursprünglich natürlich auch nicht vorhanden, sondern nur eine einzige 20A-Schmelzsicherung. Diese sei niemals durchgebrannt, auch nicht bei seinem dicken Schweißgerät, berichtete stolz ein Vorbesitzer.
Es wundert mich wirklich, dass Personen in der Vergangenheit nicht zu Schaden gekommen sind bzw. die Bude nicht abgebrannt ist. Der Grund für dieses gefährliche Desaster hat sich mir nicht erschlossen, zumal später nach einer teilweisen Überholung der Installation selbst Geräte im Außenbereich mit sehr hoher Stromaufnahme niemals zum Auslösen eines 30 mA-RCDs führten.
Als Elektroingenieur und Sicherheitsingenieur muss ich an dieser Stelle einmal deutlich darauf drängen, dass auch Arbeiten an der Elektroinstallation hinter dem Zwischenzähler nur von Elektrofachkräften oder unter deren Aufsicht durchgeführt werden. Die Gefahr von Personenschäden und die Brandgefahr, welche sich aus einer vorschriftswidrigen und laienhaften Manipulation an einer Elektroanlage ergeben, sind nicht zu vernachlässigen und es handelt sich bei der hier dargestellten Situation angesichts der Größe unserer Kleingartenanlage mit Sicherheit nicht nur um einen bedauerlichen Einzelfall.
Solarstrom
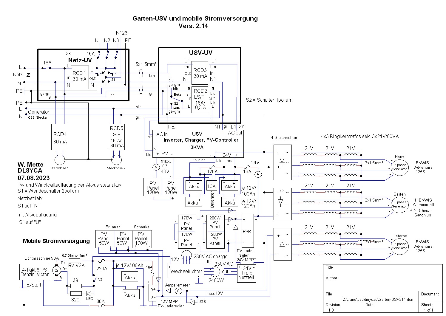
Besessen von der Idee, zumindest einen Teil der in unserem Kleingarten benötigten elektrischen Energie mittels Photovoltaik und Windkraft bereitzustellen, machte ich mich an die Planung einer kleinen unterbrechungsfreien Stromversorgung (USV) mit dem Ziel, bei Ausfall der öffentlichen Stromversorgung einen Tag oder länger ausreichend elektrische Energie zur Verfügung zu haben.
Ein Übersichts-Schaltplan , der alle bis dato realisierten Maßnahmen zusammenfassend darstellt, ist beigefügt und enthält auch die weiter unten beschriebene separate mobile Stromversorgung. Er erinnert eher an einen Schaltplan aus dem mir vertrauten Elektronikbereich als an eine normgerechte Zeichnung aus dem Bereich der Elektroinstallation.
Als zentrales Gerät wählte ich einen 3kVA 230V Inverter an einer 24-Volt Batterieanlage (2x 12V/100Ah+2x12V/120Ah).

Abb. 4 : Unterbrechungsfreie Stromversorgung 3kVA (USV)

Abb. 4a : Bedienfeld der USV

Abb,5: Lins der RCD3 hinter der USV, rechts daneben der LS/FI vor der USV (RCD2), dann der Umschalter S2 zwischen Netz und Notstromaggregat. Rechts im Kasten der RCD4 und LS/FI (RCD5) für den Generator.
Bei Netzausfall (oder vom Netz trennen) wird innerhalb von 50 ms auf Inverterbetrieb umgeschaltet. Das Gerät beinhaltet weiterhin einen Akkuladeregler für Solarpanels und ein Akku-Netzladegerät. Alle möglichen Schutzmechanismen, z.B. gegen Überladen oder Tiefentladen, sind vorhanden. Überschreitet die entnommene Leistung (Inverter oder durchgeschleiftes Netz) den Wert von 3kVA, schaltet sich das Gerät ab.
Abgeschaltet wird auch, wenn z.B. ein Generator als Netzersatz eine ungleichmäßige und zu verzerrte Spannung liefert.
Über einen Umschalter kann man wählen zwischen der Versorgung der drei Stromkreise des Hauses entweder über die originale Netzversorgung oder aber über die USV mit Inverter bzw. durchgeschleiften Netz und auf ca. 3 kVA begrenzter Leistung. In beiden Fällen ist die Versorgung über jeweils einen RCD abgesichert. Abgesehen von den Umschaltern werden als Schalter handelsübliche Leitungsschutzschalter 16A für Hutschienenmontage verwendet.
Februar 2024: Die oben beschriebene USV hat sich nach ca, 2 Jahren Betrieb mit einem Defekt in der Elektronik verabschiedet. Dieser wurde hervorgerufen durch das mehrfache Vor- und Zurückschalten eines Induktionsmotors (im Häcksler). Die dabei entstehenden Spannungsspitzen haben wohl einen Halbleiter oder Kondensator gekillt. Reparaturversuche ohne Schaltplan sind nicht zielführend ebenso wie ein Einschicken zur Reparatur nach China, also Neukauf eines fast baugleichen Geräts für ca. 200 €
18.02.2025: Dieses Gerät wurde nach etwa 1 Jahr wegen eines vermuteten Defekts und der fehlenden Möglichkeit, Lithium-Akkus zu verwenden, gegen ein etwas leistungsstärkeres Gerät mit entsprechemnder Lademöglichkeit ausgewechselt.
Aus historischen Gründen war ein Teil der PV-Anlage an den MPPT-Tegler dieses Gerät angeschlossen, ein anderer Teil über einen separaten MPPT-Regler an die 24-V-Akkuanlage, deren Minus über den Schutzleiter zwangsgeerdet ist.Da der MPPT_Regler im Wechselrichter nicht zufriedenstellend funktionierte, habe ich seinen PV-Anteil über eine Diode ebenfalls an den externen MPPT-Regler angeschlossen, aber vergessen, auch Minus vom Wechselrichter zu trennen.
Mit einem Riesen-Knall, zerstörter Diode und herausgeflogenem RCD wies mich der Wechselrichter eindrucksvoll darauf hin, dass sein PV-Eingang ein völlig anderes Potenzial als der des externen MPPT-Reglers hat. Das mag ich überhaupt nicht und nunmehr werden die Solarpanels ausschließlich über den externen MPPT-Regler betrieben.

Abb. 6: Akkuanlage mit mittlerweile 2x 12V/100Ah und 2x12V/120Ah (letztere hier noch nicht abgebildet). Links die 120A Thermosicherung. Daneben ein sog. Balancer, der mit max 10A stets für Spannungsgleichheit der Akkus auf ca. 20mV genau sorgt. Insbesondere dann wichtig, wenn man die Akkus nicht mit ca. 24V lädt, sondern aus technischen Gründen nur 2 parallele Akkus mit ca. 12V. Unten rechts ein 16 A Leitungsschutzschalter für die Windkrafteinspeisung, der, wie getestet, entgegen landläufiger Meinung auch bei Gleichstrom ohne Kleben der Kontakte sofort elektromagnetisch auslöst, anstatt nur nach einiger Zeit thermisch abzuschalten. Die beiden Krokodilklemmen an den Polen gehören zu einem externen Ladegerät für 24V 30A, welches auch ohne USV die Akkus mit dem Netz oder mit einem Notstromaggregat laden kann. Rein theoretisch und nicht ganz unwahrscheinlich könnte ja ein EMP die Elektronik der USV zerstören, dann lädt das Trafo-Ladegerät immer noch.

Abb. 5a: Links RCD1, daneben die Sicherungen der 3 Stromkreise, dann der 2-pol. Umschalter Netz/USV, daneben die erste Sicherung nach dem Zähler.
Der Anschluss von Solarpanels an die USV hat sich wie die PLug-and-Play-Installation von Windows-PCs gestaltet. Standort wählen, Kabel verlegen und anschließen, fertig. Zum Einsatz kamen zunächst 2 x 120 W Solarpanels.

Abb. 7: Im Vordergrund zwei Solarpanels für die USV mit jeweils 120W, im Hintergrund das monokristalline Sokarpanel mit 330W für den Mikroinverter.
Update 05.08.2023:
Da im Gegensatz zur Windenergie die PV-Panels bei mir recht gut funktionieren, habe ich mir zwei weitere monokristalline Panels mit je 200W beschafft und sie an einer mäßig geeigneten Stelle mit Richtung ca. Süden aufgestellt:

Abb. 7a
Einschränkungen bei der Sonneneinstrahlung ergeben sich zum einen durch die nebenan befindliche Hecke nebst Baumbestand sowie durch den nicht optimalen Anstellwinkel, vorgegeben durch die notwendige Durchgangsbreite. Aber man muss nehmen, was man hat. Aus technischen Gründen wird die elektrische Energie an der USV vorbei mit einem MPPT-Regler direkt in die 24V-Akkuanlage (derzeit 440Ah) eingespeist. Im Bild unten befindet sich links der MPPT-Laderegler und rechts ein Amperemeter für den Strom, der vom Regler in die Akkus fließt. Bei einem Strom von 7,5 A und einer Systemspannung von 27,3 V waren das zum Zeitpunkt der Aufnahme 204,75 W. Bei einer angeblich erreichbaren Leistung von 400W wäre das bei der bei mir maximal zulässigen Akkuspannung von 28,4V ein Strom von ca. 14A, bei niedrigerer Spannung entsprechend höher. Aber ich kann ruhigen Gewissens davon ausgehen, dass ich diesen Wert bei meinen örtlichen Bedingungen niemals erreichen werde.

Abb. 7b
Die Panels sind übrigens in Reihe geschaltet und lieferten bei einer Messung eine Leelaufspannung von über 40 V an den Regler. Bei niedrigen Stromstärken entspricht die von den PV-Panels gelieferte Spannung der Akkuspannung (im Bereich von ca. 26V). Bei bedecktem Himmel und diffuser Einstrahlung beträgt der Strom nur wenige 100 mA. Aber Kleinvieh macht bekanntlich auch Mist, und Geld verdienen muss ich mit meiner Anlage Gott sei Dank nicht.
Da ich schon einmal dabei war, habe ich mir dann noch zwei weitere monokristalline170W-Module besorgt, diese wieder in Reihe geschaltet und dann parallel zu den vorgenannten 200W Modulen. Sie wurden auf den Flachdächern von 2 Unterständen aufgestellt. Bei diffusem Licht und bedecktem Himmel lieferten die nun insgesamt 4 Panel eine Leistung von 120W und können damit langsam aber sicher die Akkus auch bei diesen Bedingungen aufladen. Bei voller Sonneneinstrahlung löste nach kurzer Zeit der 10 A-Sicherungsautomat aus, ein 16A-Automat aber nicht. Unter meinen Einstrahlungsbedingungen ergäbe das dann eine Leistung von ca. 450W. Das für den provisorischen Aufbau verwendete NYM 1.5mm² muss ich demnächst noch durch ein geeignetes 4 mm²-Solarkabel ersetzen, denn ansonsten habe ich einen Leitungsverlust von max. ca 30W. Brandgefahr besteht allerdings nicht, denn der Sicherungsautomat löst, wie getestet, auch bei DC bei Überlast rechtzeitig aus.
Und weil ich gerne live sehen möchte, wie die Solarabteilung insgesamt arbeitet, habe ich auch die Zuleitung der ursprünglichen 120W-Panels zur USV mit einem schönen analogen Amperemeter versehen.
Die nunmehr im Laufe der Zeit insgesamt installierten 9 Solarpanels für die Akkus (einschließlich der mobilen Stromversorgung) mit einer Nennleistung von insgesamt 1450W laden an sonnigen Sommertagen alle Akkus soweit auf, dass am Folgetag und auch noch länger Beleuchtung, Fernsehen, Wasserkocher und Mikrowelle in üblichem Umfang autark betrieben werden können.
Ende Update.
Solarstrom kann im privaten Bereich im Wesentlichen entweder, wie oben beschrieben, einer Akkuanlage zugeführt werden oder man kann über einen sog. Mikroinverter direkt ins Netz einspeisen. Dies wird heutzutage in großem Stil als Balkonkraftwerk vermarktet und ist meines Wissens derzeit bis 600W Leistung genehmigungsfrei, muss aber beim örtlichen Versorger angezeigt werden, der den vorhandenen Zähler auf Eignung überprüft und ggf. auswechselt. Im vorliegenden Fall ist davon auszugehen, dass der Hauptzähler des Vereins bereits ausgetauscht wurde und somit auf dem neuesten Stand ist. Wenn hier vom Zähler die Rede ist, handelt es sich um den analogen Zwischenzähler im Gartenhaus für die vereinsinterne Abrechnung des verbrauchten Stroms.
Bedauerlicherweise können/dürfen die heutigen digitalen Zähler im Allgemeinen nicht mehr rückwärts zählen. Schade eigentlich, das tiefe Gefühl der Befriedigung, einen alten analogen Zähler rückwärts laufen zu sehen, ist durch nichts zu ersetzen.
Für den Betrieb direkt am Netz wurde zusätzlich zu den bisher installierten 9 Panels für den Akkubetrieb zu Testzwecken ein monokristallines 330W-Panel mit Mikroinverter beschafft, welches bei Sonnenschein auch ordentlich elektrische Energie liefert. Hinter der USV im Inselbetrieb funktioniert das aber nur solange, wie die von den Verbrauchern entnommene Energie größer als die vom Mikroinverter gelieferte Energie ist. Ansonsten kommt die Regelung des USV-Inverters durcheinander, er weiß nicht, "wohin mit dem Strom" und schaltet sich und damit auch den Mikroinverter rigoros ab. Bei durchgeschleiftem Netz gibt es jedoch keine Probleme.
Als Anschluss des Mikroinverters für alle Betriebsarten der USV bietet sich die Steckdose 1 direkt hinter der ersten Sicherung nach dem Zähler an. Im ungünstigsten Fall fließt hier lediglich der vom Mikroinverter generierte überschüssige Strom ins Vereinsnetz ab. Der Personen- und Brandschutz ist durch einen separaten RCD (RCD4) gewährleistet.
Windenergie
Was macht man, wenn die Akkus leer sind, die Sonne nicht mehr scheint und der Sprit für den benzinbetriebenen Generator alle ist? Da wäre doch noch die Windenergie, welche dazu beitragen könnte, die Akkus langsam aber stetig zu laden. Genau das habe ich mir auch gedacht und wollte nun unbedingt den Strom eines oder mehrerer kleiner Windräder in die USV implementieren. Hört sich einfach an, sorgt aber im urbanen Gartenbereich für ungeahnte Schwierigkeiten.
Der Wind sollte konstant und mit mäßiger Geschwindigkeit und ohne besondere Richtungswechsel wehen. Ideale Standorte wären dafür z.B. ländliche Höhenzüge oder der Küstenbereich. In parkähnlich angelegten Gartenbereichen mit Hecken und hohen Bäumen gibt es das aber nicht.
Hier hat der Wind nicht oder kaum die nötige Geschwindigkeit, das Windrad zum Laufen zu bringen mit einer Drehzahl, die am Akku wenigstens die Leistung von einigen 10 W abliefert.
Außerdem ist der Wind in der Regel böig und kommt dann oft von allen Seiten, Versuche mit horizontalen Windrädern mit 3 oder 5 Blättern schlugen fehl. Die Windräder liefen nicht oder nur bei Sturmstärke kurzzeitig an. Die vertikalen chinesischen "Laternen" mit 5 Flügeln waren zwar schön anzusehen und drehten sich oftmals auch gemütlich, erreichten aber niemals die Systemspannung von 12 oder 24 V in Verbindung mit einem Strom, der zum effizienten Laden eines Akkus erforderlich ist.
In meiner Situation sozusagen als bis jetzt geringstes Übel haben sich die bestens dokumentierten vertikalen Savonius-Windturbinen ElvWIS Adventure 125S (max. 100W) und ElvWIS II Aluminium (max. 190W) erwiesen.


Abb. 8: ElvWIS Adventure 125 S oben und unten ElvWIS II Aluminium. Die Erstere hat jetzt im Herbst 2025 einen Lagerschaden und dreht sich nicht mehr.
Auch sie haben an meinem Standort Schwierigkeiten, bei leichtem bis mittleren Wind einige W Leistung zu liefern und werden erst bei Sturmstärke richtig munter. Aber wann haben wir schon Sturm? Etwas besser geht es mit MPPT-Boost-Ladereglern. Alternativ habe ich in meiner Verzweiflung in die elektrotechnische Trickkiste gegriffen und mit gerade vorhandenen Ringkern-Netztrafos zwei Drehstromtrafos zusammengestellt, die die Generator-3-Phasen-Wechselspannung jeweils verdoppeln oder verdreifachen und bei Überschreiten der Systemspannung nach dem Gleichrichter spannungsmäßig einfach in die Begrenzung gehen. So wird der Ladungsbeginn in Richtung Schwachwind verschoben. Ein Ringkern hat ungefähr die Scheinleistung von 60 VA. Erfreulicherweise funktioniert es auch bei Frequenzen deutlich kleiner oder größer 50 Hz.


Abb. 9: Die 2 MPPT-Boost-Laderegler für die Windräder oben und unten ein Drehstromtrafo zur Spannungsverdoppelung oder Verdreifachung. (Der gelb-grüne Draht bildet selbstverständlich keine geschlossene Windung.)
Insgesamt muss ich die Nutzung von Windenergie in meinem Fall als nicht besonders gelungen betrachten und kann sie unter vergleichbaren Bedingungen derzeit noch nicht empfehlen. Auch nicht nach dem jüngsten, weiter unten beschriebenen Experiment mit der China-Savonius-Turbine , Aber es ist sicherlich noch jede Menge Luft nach oben bei der Verbesserung des Wirkungsgrads bei niedrigen Windgeschwindigkeiten. Die Technik kann ich beeinflussen und ggf. verbessern, aber nicht den Standort und die Windverhältnisse.
Update 25.05.2023
Und weil dem so ist, beobachte ich den Markt der vertikalen Mikro-Windräder, ob da nicht doch noch eine Bauform zu finden ist, die ich noch ausprobieren könnte. Nachdem ich auf dem Gartengrundstück in einer Ecke ein 3 m langes 1-Zolll-Wasserrohr in gutem Zustand gefunden habe, war es dann so weit: Es musste ein weiteres vertikales Windrad her. Die bei mir noch am besten funktionierenden ElvWis-Adventure-125-Turbinen sind mir mittlerweile schlichtweg zu teuer, für den halben Preis haben die Chinesen ein vom Prinzip her ähnliches markenloses Angebot am Markt (Savonius-Turbine einseitig doppelt gelagert). Allen Warnungen zum Trotz habe ich Letzteres geordert, allein um festzustellen, wo denn der Haken an der Sache ist. Und der Haken stellt sich bei der Montage heraus: Der Generator mit der angeschweißten Stahl-Rotorachse ist vergleichsweise bombenschwer, die zwei Rotor-Halbschalen aus Aluminium sind äußerst ungenau gebogen und nur mit brutaler Gewalt und Aufweiten von Bohrlöchern in Form zu bringen. Nur etwas für Handwerker. Aber wenn das Windrad aufgestellt ist, ist dieser Ärger vergessen und es dreht sich schon bei einem Windhauch, der das nebenan aufgebaute Elvwis-Aluminium-II-Windrad noch völlig unbeweglich stehen lässt. Letzteres ist oben und unten gelagert und irgendwie ist die Lagerung über den Winter hinweg schwergängiger geworden und mit dem etwas schräg stehenden Mast kann man jetzt eine Unwucht feststellen.
Die abgegebene Leistung der China-Turbine liegt bei mir irgendwo zwischen der Leistung von Elvwis-Adventure-125S und Elvwis-Aluminium-II. Ausführliche und aussagekräftige Datenblätter, die man sich beim Hersteller herunterladen kann, existieren nur für diese Windräder.
(China-Turbine, Herstellerangaben: Start-Windgeschwindigkeit 2m/s, angeblich 400W bei 13 m/s und ca. 300 U/min, das wären 17A DC an 24V oder 33A an 12V mit Anschlussdrähten Alu 1,5 mm² 3 Phasen und einem ohmschen Widerstand von ca. 20 Ohm zwischen zwei Phasen. Absolut illusorisch, das passt alles vorne und hinten nicht, ich wäre schon zufrieden, wenn das Teil wenigstens 50W an 24V bringen würde. Dann stören mich auch nicht die ca. 2 W Verlust in der Leitung zur USV.)

Abb. 9a: Das China-Savonius-Windrad, links die Windturbine Elvwis Aluminium II.
Für die Energieübertragung von den beiden Windrädern zur USV steht nur eine ca. 25m lange 3x1,5mm² Leitung zur Verfügung. Nach den Trafos wird die gleichgerichtete 3-Phasen-Wechselspannung beider Wimdräder zusammen geschaltet und 2-adrig zur USV transportiert. Somit können 2 Adern zur Widerstandsverminderung parallel geschaltet werden und der weiter oben bereits erwähnte Leitungsverlust hält sich in Grenzen. Trafo nebst Gleichrichter ersetzen hier den MPPT-Regler, der unter ungünstigen Umständen über einen längeren Zeitraum betrachtet mehr Energie verbraucht, als die Windräder liefern. Allerdings muss ich noch 3 weitere Ringkerntrafos ordern, die für die Elvwis-Aluminium-Turine derzeit verwendeten NF-Leistungs-Übertrager haben eine zu niedrige Impedanz und bremsen so das Windrad aus.
Ende Update
Notstromaggregat
Ein benzinbetriebenes Notstromaggregat ist erst einmal ein Rückfall in die fossile Ära. Außerdem ist es meistens laut und es stinkt. Aber es startet bei regelmäßiger Wartung sofort und liefert stundenlang Strom. Vorausgesetzt, man hat ausreichend Sprit am Lager.
Zurzeit verfüge ich über einen Endress-Stromerzeuger mit Synchrongenerator und etwa 2,5 kVA Abgabeleistung. Er wird von einem Briggs & Stratton-Motor mit ca. 150 cm³ Hubraum angetrieben.

Abb. 10: "Mobiler" Endress-Generator in der Schubkarre. Man lasse sich durch den rostigen Griff und Auspuff nicht täuschen. Er springt meistens beim ersten Zug an, verliert kein Öl und läuft und läuft, wenn auch laut.
Allen Schauergeschichten zum Trotz wird er bei mir mit Super-E10 betrieben und hat bisher noch keine Probleme damit. Allerdings muss man beachten, dass Ethanol ein Lösungsmittel ist und auch Wasser enthält. Aber nach einer Modifikation des Membranvergasers und unter Verwendung eines Additivs dürfte der Motor auch mit Bio-Ethanol laufen und wäre damit wieder fast voll im Bereich erneuerbarer Energien. Irgendwann werde ich das ausprobieren. Oder ich besorge mir einen dieselbetriebenen Generator und füttere ihn mit Pflanzenöl. Aber der ist noch lauter und im Garten riecht es dann wie in einer Pommes-Bude.
Man kann sich natürlich auch einen der modernen Inverter-Stromerzeuger anschaffen, die sind meistens schallgedämmt und leicht zu transportieren, aber relativ teuer und für Experimente mit alternativem Kraftstoff weniger geeignet. Allerdings liefern sie in der Regel unter allen Bedingungen eine stabile und saubere, sinusähnliche Ausgangsspannung.
Jedenfalls ist ein Notstromaggregat die einzige Möglichkeit, bei fehlendem Netz, Dunkelheit und Windstille die Akkus aufzuladen und gleichzeitig stundenlang das Wohnumfeld in bescheidenem Rahmen mit elektrischer Energie zu versorgen. Im Netzersatzbetrieb muss man bei meinem Synchrongenerator nur dafür sorgen, dass ihm nicht ausschließlich kapazitive Last angeboten wird. Sonst liefert er eine stark schwankende Ausgangsspannung und insgesamt ein äußerst "kaputtes Signal". Sobald man als Last aber einen induktiven Verbraucher z.B. in Form eines größeren Ladegeräts mit Netztrafo (auch im Leerlauf) zuschaltet, läuft er schön ruhig und liefert eine saubere stabile Spannung, die auch von der USV akzeptiert wird.
Update: Entgegen aller Vernunft und entsprechend meinem technikaffinen Krankheitsbild ist mir zwischenzeitlich eingefallen, dass ich neben dem robusten, aber lärmenden Endress-Synchrongenerator jetzt auch unbsdingt einen wie ein Kätzchen schnurrenden Invertergenerator haben muss. Unverzüglich.
Meine Wahl fiel auf den Inverter-Genarator BXGNi2200E von Black+Decker für noch erträgliche ca. 650 €. Das Gerät war nach zwei Tagen da und ich hatte endlich mal wieder die Gelegenheit, mich über die Fehlfunktionen der DHL-Packstation schwarz zu ärgern.
Öl einfüllen, Tankbelüftung auf, Drehschalter auf ON und Choke geschlossen, zu Anfang mehr als 6x, ansonsten ca. 3x den Primer (Ball) drücken, 2x ziehen und schon läuft die Kiste schön rund, wenn man den Choke wieder herausnimmt. Angenehmer zurückhaltender Klang, insbesondere im ECO-Modus. Kein Vergleich mit dem Terror, den der Endress-Generator verbreitet. Ein zwischenzeitlich durchgeführter Belastungstest ist erfolgreich verlaufen.
01.07.2022: Der Vollständigkeit halber ist noch zu erwähnen, dass ich mich parallel zu der oben beschriebenen stationären USV auch noch mit einer (eingeschränkt) mobilen "Power Station" beschäftigt habe. Diese besteht aus einem stationären 4-Takt-Motor mit 6 PS und E-Starter, einer Lichtmaschine aus einem Audi A6 von 1995, zwei Solar-Akkus mit jeweils 12v/100Ah sowie einem 12V/230V Inverter mit 3KVA und Ladefunktion. Das Ganze ist montiert auf einem Gestell aus 4 cm dicken Gerüstbrettern und fahrbar mit jeweils 2 Bock- und Lenkrollen und wiegt insgesamt ca. 80kg.
Gerne gebe ich zu, dass dieses Einzelprojekt weniger aus einer Notwendigkeit als vielmehr aus der Befriedigung meines auch im Alter allgegenwärtigen Basteltriebs entstanden ist. Schon immer wollte ich einmal ein Notstromaggregat mit handelsüblichen Teilen selbst bauen.
Die "Anlage" funktioniert wie erwartet, man kann die Akkus entweder über die Lichtmaschine oder aber aus dem Netz mit der Ladefunktion des Inverters laden. Weiterhin wurde zwischenzeitlich ein 12V-MPPT-Laderegler für 2 externe PV-Panels hinzugefügt. Ein in der Nähe der PV-Panels befindliches und auf einer Gartenlaterne plaziertes weiteres Savonius-Vertikalwindrad (ELWis Adventure 125S) wurde aufgrund von Leitungsproblemen nach Aufwärtstransformation und Gleichrichtung ebenfalls an den PV-Eingang des Ladereglers angeschlossen. Ein "Überdrehen" des Windrads bei Sturm ist prinzipbedingt nicht möglich, aber wer möchte, kann z.B. eine fette Zenerdiode oder einen MOSFET IRF 530 hinter dem Gleichrichter als Shunt einbauen und mit einem Spannungsteiler am Gate auf 15 V einstellen..
Der Antrieb Motor-Lichmaschine in Form eines Keilzahnriemens ist eigentlich robust und problemlos. Wegen der von mir vorgenommenen elastischen und die Schwingungen aufnehmenden Lagerung des Motors kann man den Keilriemen aber nicht besonders stramm spannen. Dies führt bei voll belastetem Inverter und entsprechend niedriger Akkuspannung zu einer voll aufgeregelten Lichtmaschine und zu einem Durchrutschen und gräßlichem Quietschen des Keilriemens. Das Problem kann man natürlich auf verschiedene Weise lösen, indem man z.B. Motor und Lichtmaschine auf eine gemeinsame Plattform stellt.
Eine verlustbehaftete, aber einfache Lösung ist ein Vorwiderstand an der B+-Klemme, der gerade so groß ist, dass der Keilriemen bei sehr hoher Ladeleistung nicht durchrutscht. Ideal als Vorwiderstand ist Edelstahl-Lochband geeignet. Dies hat einen spezifischen Widerstand von ca. 0,7 Ohm x m/mm² (Stahl nur ca. 0,15). Außerdem bekommt man jede Menge Befestigungslöcher gratis mitgeliefert und wegen der gelochten Oberfläche des Lochbands ist die ausreichende Ableitung der (nur bei starker Belastung) relevanten Wärme in die Umgebungsluft gegeben.

Abb. 11: Die "Power Station" im Testbetrieb. Die Einspeisung der mobilen PV-.Panels und der vertikalen Windturbine erfolgt über die grüne CEE-Steckverbindung. Darüber ist der 12V-MPPT-Laderegler zu sehen. Schaltplan (Garten-USV und mobile Stromversorgung). Hinten der nagelneue 6-PS-China-Motor, der einen ähnlichen Terror verbreitet wie der Endress-Generator mit Briggs&Stratton-Motor.
Abb. 12: Vorne zwei mobile 50W-Solarpanels und dahinter auf einer Laterne eine ElWis Adventure 125S Savonius-Windturbine. Beide werden in die mobile Power Station eingespeist. Die Bäume dahinter liegen zwar nicht in der Hauptwindrichtung, aber die Windverhältnisse an diesem Standort sind alles andere als ideal. Das blaue Schaukelgestell im Hintergrund wurde zwischenzeitlich mit einem monokristallinen 170W-Solarpanel versehen, welches zu den vorgenannten 50W-Panels parallel geschaltet ist. So ergibt sich für die Enkelkinder nachhaltiges Schaukeln mit erneuerbarer Energie und für die mobile Power Station deutlich schnelleres Aufladen auch bei diffusem Licht.
Sonstiges
Die USV des Gartenhauses wird fast täglich für einige Stunden auf Akkubetrieb umgeschaltet. Geräte mit normalerwise hohem Stromverbrauch (z.B. Wasserkocher, Mikrowelle, Heizlüfter) wurden zwischenzeitlich durch Camping-Ausführungen mit max.1000W Leistung ersetzt, denn bei Überlast oder leeren Akkus schaltet die 3kVA-USV rigoros ab.
Damit die mobile USV auch was zu tun hat, lädt sie, wenn voll aufgeladen, in diesem Zeitraum zusätzlich über den Wechselrichter der mobilen USV mit dem Auto-Batterieladegerät über den MPPT-Solarregler (!) die 24V-Akkuanlage des Gartenhauses (sie selbst läuft ja auf 12V) mit einigen A auf. Dabei ist der Wirkungsgrad dieser Maßnahme nicht besonders hoch, aber das ist noch immer besser, als die mobile USV untätig herumstehen zu lassen. Denn Müßiggang ist bekanntermaßen aller Laster Anfang.
Im Frühjahr-Herbst liefern die Solarpanels ausreichend Energie, im Winterhalbjahr muss man schon mal öfters das Netz oder einen Generator zuschalten. Leider liefert die Windenergie trotz aller Tricksereien (noch) keinen nennenswerten Beitrag. Das wäre an der Küste oder auf einer Anhöhe sicherlich anders.
Für die Versuche mit Solarenergie, Windkraft und sonstiger autarker Stromerzeugung ist es von Vorteil, wenn man beim Ausprobieren nicht nur auf Schätzungen angewiesen ist, sondern das eine oder andere auch messtechnisch nachvollziehen kann. Zu diesem Zweck habe ich kurzerhand im Gartenhaus eine "Außenstelle" des heimischen Funk- und Elektroniklabors eingerichtet. Vorhanden sind ein Digital- und Analogoszilloskop, Multimeter, Datenlogger nebst Notebook und ein Funktionsgenerator. Und wenn es sein muss, kann auch gelötet werden. Denn nach dem Gesetz von Murphy lösen sich verlötete Kabel oder Bauteile vorzugsweise dann, wenn weit und breit kein Lötwerkzeug aufzutreiben ist.

Abb. 13: Die "Werkstatt" auf dem Regalbrett. Im Hintergrund die USV an der Wand und darunter die Akkuanlage mit insgesamt 440 Ah, die 200 Ah der meistens angekoppelten mobilen Stromversorgung nicht mit gerechnet.
Damit wären für mich die derzeit zur Verfügung stehenden Möglichkeiten für eine autarke Versorgung erschöpft. Da gäbe es noch rein theoretisch die Nutzung von Wasserkraft. Aber die in der Nähe meines Gartens vorbei fließende "Köttelbecke" ist für alles Mögliche geeignet, nur nicht für die Gewinnung elektrischer Energie aus Wasserkraft. Dann doch eher die Nutzung von Erdwärme aus dem Grubenwasser, welches auf ewig abgepumpt werden muss und in die Gewässer, u. a. auch in die Köttelbecke, eingeleitet wird. In meiner Region, dem mittleren Ruhrgebiet, gibt es ja viele seit langem stillgelegte Zechen.
